技术参数
测量范围:水( 20 ℃) 0.002 ~ 160L / h
空气( 1.013 × 10 5 Pa 、 20 ℃ ) 0.1 ~ 1000L / h
范围度: 10 : 1
准确度等级: 2.5;4
锥管:光管;带筋管 长度: 100mm 标尺:流量标尺
浮子形状:球
允许被测流体状况 大压力: 1.0,1.6MPa 工作温度: -20 ℃~ +60 ℃或 0 ℃~ +120 ℃
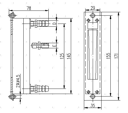
总长: 145mm
连接方式:软管、金属管
重量: 0.4kg
注 : 引进流量计准确度等级的计算符合标准 VDI / VDE3513, 误差取 1 / 4 引用误差 +3 / 4 相对误差
1. 型号规格

|